おかげさまで開設25周年HINDRAKSHAKSANGH.ORG 創業祭

HINDRAKSHAKSANGH.ORG

詳しくはこちら
マイストア マイストア 変更
  • 即日配送
  • 広告
  • 取置可能
  • 店頭受取

HOT ! 7/9 Eri様 DUNLOP SRIXON ZX7 9.5 Driver Head Only Right-Handed golf

※HINDRAKSHAKSANGH.ORG 限定モデル
YouTuberの皆様に商品の使い心地などをご紹介いただいております!
紹介動画はこちら

ネット販売
価格(税込)

10581

  • コメリカード番号登録、コメリカードでお支払いで
    コメリポイント : 10ポイント獲得

コメリポイントについて

購入個数を減らす
購入個数を増やす

お店で受け取る お店で受け取る
(送料無料)

受け取り店舗:

お店を選ぶ

近くの店舗を確認する

納期目安:

13時までに注文→17時までにご用意

17時までに注文→翌朝までにご用意

受け取り方法・送料について

カートに入れる

配送する 配送する

納期目安:

2025.10.15 21:21頃のお届け予定です。

決済方法が、クレジット、代金引換の場合に限ります。その他の決済方法の場合はこちらをご確認ください。

※土・日・祝日の注文の場合や在庫状況によって、商品のお届けにお時間をいただく場合がございます。

即日出荷条件について

受け取り方法・送料について

カートに入れる

欲しいものリストに追加

欲しいものリストに追加されました

7/9 Eri様 DUNLOP SRIXON ZX7 9.5 Driver Head Only Right-Handed golfの詳細情報

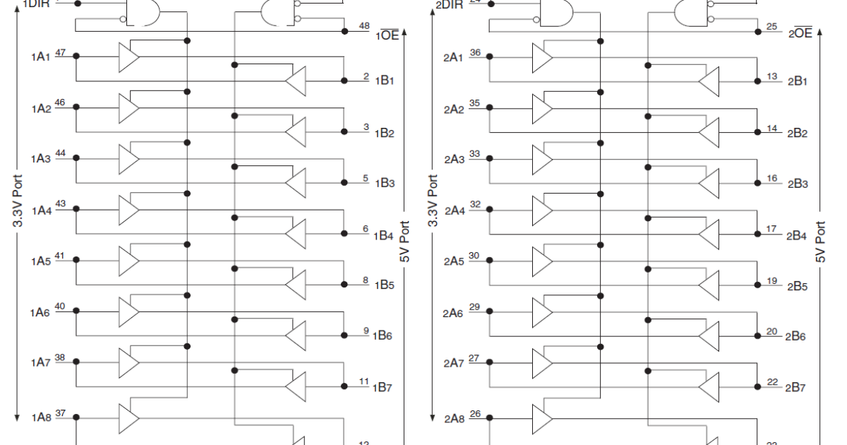
DUNLOP SRIXON ZX7 9.5 Driver Head Only Right-Handed golf。楽天市場】KOSEI QRASIZ クレイシズ SE48 ホイール 14インチ 14。74ALVC164245 - 3.3V CMOS 16-Bit 3.3V to 5.0V Level Shifting。

商品説明

7/9
楽天市場】KOSEI QRASIZ クレイシズ SE48 ホイール 14インチ 14
漢字辞典500×21,000円
中古 本 日本の灯台 写真集 山崎 猛 【212】
ぬりえクラフト300×2600円
疾患別看護過程の展開 第5版

◆日本小品盆栽銘品展・席飾集/第三回◆図録 古書
商品代1,600円
一徹 いってちゅ、めぐる、コトバのの処方箋
手数料160円
HYSTERIC MINI - 新品未使用 ヒスミニ スクエアバッグ
送料1,300円(宅急便)
エンジェルオブアバンダンス、大天使オラクル、ガーディアンエンジェルタロットの3種
・合計3,060円
期間限定値下げ7/26-8/3)激レアタロット3点まとめ売り★グッドタロットなど

海上自衛隊 訓育ハンドブック コレクション 美品 限定
7/11
セレブ100の言葉
ホルダー(カレ)500円
進撃の巨人 漫画 単行本 全巻セット(1〜34巻)
ホルダー(ふ2)200円
3-◇ 計13冊 全11巻+零+幕間 セット まとめ 羽州ぼろ鳶組 今村翔吾 平成29年~令和4年 2017年~2022年 祥伝社文庫
ホルダー(チキ)400円
糸井重里 ほぼ日 ことばシリーズ 13冊 セット
ホルダー(ダブレ)150×2300円
修学社  まじない秘法大全集

主婦の友社 - 【小説】薬屋のひとりごと(3巻〜15巻)13冊セット
商品代1,400円
シルバニアファミリー展大図鑑
手数料140円
日本の城 ディアゴスティーニ
・合計1,540円
運命の明鑑 万年暦 1色刷り 旧版

たいにゃんさん専用
7/13.14
「臨死体験」が教えてくれた宇宙の仕組み
ヘアータオルピンク400円×2800円
学研 - 学研まんがNEW日本の歴史(全12巻+別巻セット)

落語百選 DVDコレクション 解説冊子全巻
商品代800円
FELISSIMO - フェリシモ モダンカリグラフィープログラム 6ヶ月セット
手数料80円
【中古】基本ロシア語文法/佐藤純一 著/昇竜堂
・合計880円
呪術廻戦0〜19巻

【美品】3びきのやぎとトロル&てぶくろ
7/16.18
第五人格 白黒無常メイン 同人誌
ヘアドライタオルモカ
CUNE - CUNE TUMBLER BOOK タンブラー 黒赤セット 宝島社
400円×2800円
Iphone 15 Pro Max用強化ガラス製レンズフィルム2pcs
ヘアドライタオルブルー
東京図書 メシア 量子力学 1〜3 1978/1979 計3冊 ☆ 066M6D
400円×2800円
清水義久先生 薬師如来セミナー講義録
靴23㎝1,000円
飯田グループ株主優待
靴25㎝1,000円
中村天風 成功の実現
ボックスシーツ1,000円
東大理3 1992
バスグッズ1,500円
旺文社 - 専用ページ☆
ホルダー(チキ)500円×21,000円
文庫●漫画板●世界の歴史●日本の歴史●集英社 全巻セット

【中古】東大日本史問題演習 (東進ブックス 究極の東大対策シリーズ)/野島 博之 (著)、井之上 勇 (著)/ナガセ
商品代7,100円
写真が語る 前橋市の130年
手数料710円
新品未使用品 ゼルダの伝説 ティアーズ オブ ザ キングダム マスターワークス
・合計7,810円
【中古】デューン 砂漠の救世主 + 砂丘の子供たち 全巻(1~3巻) 旧版 4冊セット ハヤカワ文庫SF カバー+挿絵・石森章太郎/フランク・ハーバート 著、 矢野徹 訳、 石森章太郎 画/早川書房

S-0148専用1194
7/21.22
NOUVEAU TAROT DE MARSEILLE マルセイユ・タロット
ヘアータオルベージュ400円×2800円
あきない世傳金と銀 全13巻 高田郁
歯ブラシセット250円
赤髪の白雪姫  原画展 あかづき空太 図画記録書
プーマボトム1301,500円
汝の名 他 49冊セット
Dianeシャンプー、トリートメント600円
小学館 - 負けヒロインが多すぎる!8巻セット

空の庭、星の海 イバラード博物誌Ⅱ サイン入り
商品代3,150円
ラムサの教え ラムサの科学への招待
手数料315円
ドルフィンウェーブ 公式イラスト集 ホビージャパン
・合計3,465円
★981 紙の流通史と平田英一郎 他 4冊

ジュニア空想科学読本シリーズと四つ子ぐらしと星のカービィ
7/23
こちまさき 妖怪の子預かります 1-10 セット
ダヴハンドウォッシュ500円
【未開封】スクライド 設定資料集 新作ドラマCD付き
カビキラー300円
アスキー・メディアワークス - 【全巻初版】機動戦士ガンダム00P 電撃ホビ-マガジンスペシャル vol.1〜4

theGazettE FC会報 GARISHROOM 8〜45
商品代800円
街道をゆく 司馬遼太郎 全巻 51巻セット
手数料80円
Elysium エリジアム 〜ガイアの一滴〜
・合計880円
DVD2枚 奇跡の施術腱引き療法 さらに使える 腱引き療法 応用・下半身調整編

4つの神聖な鍵 初版限定3000冊 豪華版 エーカムのノート付き

アントニオ猪木 ファイティング メモリアル グラフィティ アルバム テレカ10枚 サイン木箱 写真付

TYPE-MOON アートマテリアル などセット
総合計金額17,635円
秋田書店 - 手塚治虫ブラックジャック展 図録 手塚治虫 ブラック・ジャック

ちいかわ特装版1〜3巻セット

ヴォート基礎生化学 第5版

【超希少!】BUCK-TICK IKONOCKRUSM CD-ROM付 限定版
※お取り置き期限7/23
アラシゴト まるごと嵐の5年半

ホワイトハットレポート 真実と目醒め 初版上下巻セット
※ページをご確認頂き
船乗りシンドバットの冒険えほん&ぬいぐるみ
ご購入お手続きの程
予約購入お客様用
よろしくお願い致します
ハリー・ポッター 11巻セット

集英社 - ONE PIECE magazine (vol.1〜vol.8)
※お取り置きご希望の方は
グロ-ビスMBA 3冊セット 改訂3版
コメントお願い致します
Koei Tecmo Games - 由羅カイリ画集 アンジェリ-ク20th Anniversary

商品情報

出品者情報

  • DUNLOP SRIXON ZX7 9.5 Driver Head Only Right-Handed golf
  • 楽天市場】KOSEI QRASIZ クレイシズ SE48 ホイール 14インチ 14
  • 74ALVC164245 - 3.3V CMOS 16-Bit 3.3V to 5.0V Level Shifting
  • 楽天市場】KOSEI QRASIZ クレイシズ SE48 ホイール 14インチ 14

同じカテゴリの 商品を探す

ベストセラーランキングです

このカテゴリをもっと見る

この商品を見た人はこんな商品も見ています

近くの売り場の商品

このカテゴリをもっと見る

カスタマーレビュー

オススメ度  4点

現在、4460件のレビューが投稿されています。